Цилиндрические двухступенчатые мотор-редукторы 4МЦ2С, 4МЦ2С-63, 4МЦ2С-80, 4МЦ2С-100, 4МЦ2С-125

Соосно цилиндрические мотор-редукторы 4МЦ2С, 4МЦ2С-63, 4МЦ2С-80, 4МЦ2С-100, 4МЦ2С-125 являются приводом общего назначения. Мотор-редукторы могут применяться в тяжелых условиях и имеют высокую перегрузочную способность. Данная серия широко применяется во всех отраслях промышленности России и стран СНГ. Мотор-редуктор серии 4МЦ2С представляет собой конструктивно объеденный в единое целое цилиндрический соосный редуктор и асинхронный электродвигатель. Мотор-редукторы имеют два варианта крепления (на лапах или на опорном фланце). В зависимости от варианта крепления в пространстве, мотор-редукторы имеют различные исполнения. По желания заказчика возможна установка взрывозащищенных двигателей или двигателей с электротормозом.
Цена: по запросу заказчика
Базовые условия использования цилиндрического мотор-редуктора:
- Электродвигатель мотор-редуктора питается от сети с напряжением 220 или 380 В, частотой тока 50 Гц и 60 Гц;
- Возможно всестороннее вращение вала;
- Время работы 8 - 24 часов в сутки с периодическими остановками;
- Рекомендуется использовать мотор-редуктор в неагрессивной и невзрывоопасной местности, где плотность диэлектрической пыли не превышает 10 мг/м3;
- Климатические условия применения мотор-редукторов: У - категория размещения 3 (температура от -400°С до +400°С, использование в закрытых помещениях, имеющих естественную вентиляцию без оборудования, искусственно поддерживающего внутренний климат) или исполнение - Т2 (температура от -100°С до +450°С, в помещениях);
- Уровень высоты не выше 1000 метров относительно уровня моря.
Общее описание:

РИС 1. Исполнение на лапах

РИС 2. Фланцевое исполнение
|
4МЦ2С |
Тип электродвигателя |
L |
H |
В |
h1 |
A |
A1 |
E |
G |
d |
h |
К |
|---|---|---|---|---|---|---|---|---|---|---|---|---|
|
63 |
63B2 |
315 |
255 |
185 |
140±0,5 |
110±0,55 |
150±0,55 |
48 |
15 |
12 |
16 |
160 |
|
71В6;71В4 |
487 |
|||||||||||
|
71А4; 71А2; 71В2 |
||||||||||||
|
80В8; 80В6; 80В4; 80В2 |
517 |
265 |
||||||||||
|
80А6; 80А4 |
493 |
|||||||||||
|
80A2 |
278 |
|||||||||||
|
90L2; 90L4 |
538 |
275 |
200 |
|||||||||
|
80 |
90LA8; 90LB8;90L6; 90L4 |
590 |
305 |
225 |
170±0,5 |
115±0,7 |
180±0,7 |
75 |
22 |
15 |
18 |
175 |
|
100L6; 100L4; 100L2 |
635 |
317 |
||||||||||
|
100S4; 100S2 |
602 |
|||||||||||
|
100 |
100L8; 100L6; 100L4 |
675 |
380 |
270 |
212±0,5 |
130±1 |
210±1 |
270 |
350 |
14 |
22 |
195 |
|
112МА6; 112М4; 112М2 |
695 |
400 |
280 |
|||||||||
|
100S4 |
645 |
380 |
270 |
|||||||||
|
125 |
112МА6; 112МВ6; 112М4 |
738 |
480 |
335 |
265±1 |
160±0,7 |
280±0,7 |
105 |
25 |
19 |
28 |
235 |
|
132S6; 132S4; 132M6 |
765 |
|||||||||||
|
132М4 |
814 |
|||||||||||
|
|
132М2 |
|
350 |
|||||||||
|
160S4 |
870 |
520 |
335. 350 |
|||||||||
|
|
160М4 |
910 |
||||||||||
|
|
160S2; 160М2 |
870 |
ТАБЛ 1. Габаритные и присоединительные размеры для исполнения на лапах
|
4МЦ2С |
Тип электродвигателя |
L |
H |
В |
h1 |
A |
С |
R |
P |
d |
h |
К |
S |
|---|---|---|---|---|---|---|---|---|---|---|---|---|---|
|
63 |
63В2 |
315 |
255 |
185 |
140 |
130js |
185 |
200 |
240 |
11 |
12 |
150 |
65 |
|
71В6; 71В4 |
487 |
||||||||||||
|
71А4:71А2:71В2 |
|||||||||||||
|
80В8; 80В6; 80В4; 80B2 |
517 |
265 |
|||||||||||
|
80А6; 80А4 |
473 |
200 |
|||||||||||
|
80А2 |
493 |
||||||||||||
|
90L2 |
538 |
275 |
|||||||||||
|
80 |
90LA8; 90LB8; 90L6; 90L4 |
590 |
305 |
250 |
170 |
180JS |
240 |
250 |
293 |
14 |
14 |
170 |
85 |
|
100L6; 100L4; 100L2 |
635 |
317 |
|||||||||||
|
100S4; 100S2 |
602 |
317 |
|||||||||||
|
100 |
100L8; 100L6; 100L4 |
675 |
380 |
270 |
212 |
230JS |
275 |
270 |
350 |
14 |
14 |
190 |
115 |
|
112МА6; 112М4; 112М2 |
695 |
400 |
280 |
||||||||||
|
100S4 |
645 |
380 |
270 |
||||||||||
|
125 |
112МА6; 112МВ6; 112М4 |
738 |
480 |
360 |
260 |
300js |
350 |
360 |
440 |
18 |
20 |
235 |
115 |
|
132S6; 132S4; 132M6 |
765 |
480 |
|||||||||||
|
132М4 |
814 |
480 |
|||||||||||
|
132М2 |
477 |
||||||||||||
|
160S4; 160S2; 160M2 |
870 |
520 |
|||||||||||
|
160М4 |
910 |
ТАБЛ 2. Габаритные и присоединительные размеры для фланцевого исполнения
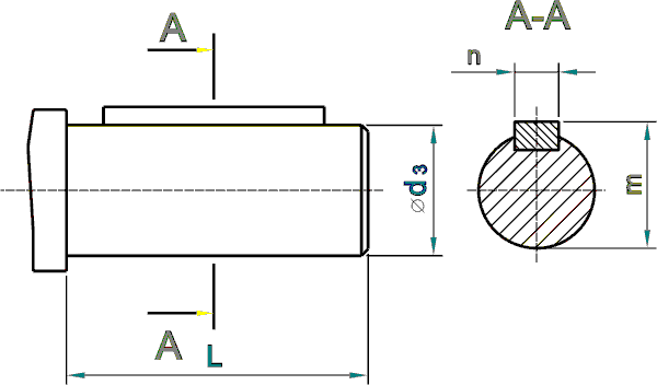
Варианты исполнения выходного вала мотор-редуктора

РИС 3. Конический

РИС 4. Цилиндрический
|
4МЦ2С |
d1 |
d2 |
d3 |
L |
L1 |
b |
t |
n |
m |
|---|---|---|---|---|---|---|---|---|---|
|
63 |
28 |
M16x1,5-8g |
28k6 |
60 |
42 |
5 |
14,9 |
8 |
31 |
|
80 |
35 |
М20х1,5-8g |
35k6 |
80 |
58 |
6 |
18,5 |
10 |
38 |
|
100 |
45 |
М30х2-8g |
45k6 |
110 |
82 |
12 |
23,45 |
14 |
48,5 |
|
125 |
55 |
МЗ6х3-8g |
55k6 |
110 |
82 |
14 |
28,9 |
16 |
5 |
ТАБЛ 3. Размеры выходного вала мотор-редуктора

РИС 5. Монтажное исполнение
Технические характеристики 4МЦ2С, 4МЦ2С-63, 4МЦ2С-80, 4МЦ2С-100, 4МЦ2С-125
|
Типоразмер |
Номинальная частота вращения выходного вала, об/мин |
Номинальный крутящий момент на тихоходном валу, H*м |
Радиальная консольная нагрузка на конце тихоходного вала, Н |
Масса без смазки, не более, кг |
Типоразмер двигателя |
Мощность двигателя |
КПД мотор-редуктора, %, не менее |
|---|---|---|---|---|---|---|---|
|
4МЦ2С-63 |
28 |
175 |
3300 |
21 |
АИР71В6Р3 |
0,55 |
66 |
|
35,5 |
140 |
3000 |
21 |
АИР71В6Р3 |
66 |
||
|
190 |
3500 |
27 |
АИР80А6Р3 |
0,75 |
68 |
||
|
45 |
113 |
2600 |
21 |
АИР71В6Р3 |
0,55 |
66 |
|
|
154 |
3100 |
27 |
АИР80А6Р3 |
0,75 |
68 |
||
|
56 |
96 |
2400 |
21 |
АИР71А4Р3 |
0,55 |
||
|
140 |
3000 |
АИР71В4Р3 |
0,75 |
73 |
|||
|
206 |
3400 |
27 |
АИР80А4Р3 |
1,1 |
|||
|
71 |
75 |
2100 |
21 |
АИР71А4Р3 |
0,55 |
72 |
|
|
105 |
2600 |
АИР71В4Р3 |
0,75 |
73 |
|||
|
148 |
3000 |
27 |
АИР80А4Р3 |
1,1 |
|||
|
90 |
57 |
1800 |
21 |
АИР71А4Р3 |
0,55 |
72 |
|
|
78 |
2200 |
АИР71В4Р3 |
0,75 |
73 |
|||
|
112 |
2600 |
27 |
АИР80А4Р3 |
1,1 |
|||
|
153 |
3100 |
АИР80В4Р3 |
1,5 |
75 |
|||
|
112 |
47 |
1700 |
21 |
АИР71А4Р3 |
0,55 |
72 |
|
|
65 |
2000 |
АИР71В4Р3 |
0,75 |
73 |
|||
|
92 |
2300 |
27 |
АИР80А4Р3 |
1,1 |
|||
|
128 |
2400 |
АИР80В4Р3 |
1,5 |
75 |
|||
|
187 |
3400 |
32 |
АИР90L4Р3 |
2,2 |
78 |
||
|
125 |
43 |
1600 |
21 |
АИР71А4Р3 |
0,55 |
72 |
|
|
59 |
1900 |
АИР71В4Р3 |
0,75 |
73 |
|||
|
84 |
2300 |
27 |
АИР80А4Р3 |
1,1 |
|||
|
114 |
2600 |
АИР80В4Р3 |
1,5 |
75 |
|||
|
159 |
3100 |
АИР80В2Р3 |
2,2 |
80 |
|||
|
140 |
37 |
1500 |
21 |
АИР71А4Р3 |
0,55 |
72 |
|
|
52 |
1800 |
АИР71В4Р3 |
0,75 |
73 |
|||
|
73 |
2100 |
27 |
АИР80А4Р3 |
1,1 |
|||
|
101 |
2500 |
АИР80В4Р3 |
1,5 |
75 |
|||
|
149 |
3100 |
АИР80В2Р3 |
2,2 |
80 |
|||
|
180 |
27 |
1300 |
16 |
АИР63В2 |
0,55 |
72 |
|
|
36 |
1500 |
21 |
АИР71А2Р3 |
0,75 |
75 |
||
|
53 |
1800 |
АИР71В2Р3 |
1,1 |
||||
|
73 |
2100 |
27 |
АИР80А2Р3 |
1,5 |
74 |
||
|
107 |
2500 |
АИР80В2Р3 |
2,2 |
86 |
|||
|
150 |
3000 |
32 |
АИР90L2Р3 |
3,0 |
81 |
||
|
224 |
22 |
1100 |
16 |
АИР63В2 |
0,55 |
72 |
|
|
29 |
1300 |
21 |
АИР71А2Р3 |
0,75 |
75 |
||
|
46 |
1700 |
АИР71В2Р3 |
1,1 |
||||
|
63 |
1900 |
27 |
АИР80А2Р3 |
1,5 |
74 |
||
|
92 |
2400 |
АИР80В2Р3 |
2,2 |
86 |
|||
|
125 |
2700 |
32 |
АИР90L2Р3 |
3,0 |
81 |
||
|
280 |
18 |
1000 |
16 |
АИР63В2 |
0,55 |
72 |
|
|
24 |
1200 |
21 |
АИР71А2Р3 |
0,75 |
75 |
||
|
36 |
1500 |
АИР71В2Р3 |
1,1 |
||||
|
50 |
1700 |
27 |
АИР80А2Р3 |
1,5 |
74 |
||
|
73 |
2100 |
АИР80В2Р3 |
2,2 |
86 |
|||
|
99 |
2400 |
32 |
АИР90L2Р3 |
3,0 |
81 |
||
|
4МЦ2С-80 |
28 |
250 |
4000 |
36 |
АИР90LА8Р3 |
0,75 |
72 |
|
368 |
4800 |
40 |
АИР90LВ8Р3 |
1,1 |
74 |
||
|
35,5 |
292 |
4300 |
|||||
|
368 |
4800 |
37 |
АИР90L6Р3 |
1,5 |
73 |
||
|
45 |
230 |
3800 |
40 |
АИР90LВ8Р3 |
1,1 |
74 |
|
|
304 |
4400 |
37 |
АИР90L6Р3 |
1,5 |
73 |
||
|
56 |
242 |
3900 |
37 |
АИР90L6Р3 |
1,5 |
73 |
|
|
366 |
4800 |
36 |
АИР90L4Р3 |
2,2 |
78 |
||
|
46 |
АИР100L6Р3 |
||||||
|
71 |
190 |
3400 |
37 |
АИР90L6Р3 |
1,5 |
73 |
|
|
303 |
4300 |
36 |
АИР90L4Р3 |
2,2 |
78 |
||
|
46 |
АИР100L6Р3 |
||||||
|
393 |
5000 |
41 |
АИР100S4Р3 |
3,0 |
79 |
||
|
90 |
228 |
3800 |
36 |
АИР90L4Р3 |
2,2 |
78 |
|
|
46 |
АИР100L6Р3 |
||||||
|
310 |
4200 |
41 |
АИР100S4Р3 |
3,0 |
79 |
||
|
112 |
185 |
3400 |
36 |
АИР90L4Р3 |
2,2 |
78 |
|
|
250 |
4000 |
41 |
АИР100S4Р3 |
3,0 |
79 |
||
|
332 |
4600 |
47 |
АИР100L4Р3 |
4,0 |
82 |
||
|
125 |
230 |
3800 |
41 |
АИР100S4Р3 |
3,0 |
82 |
|
|
307 |
4400 |
47 |
АИР100L4Р3 |
4,0 |
82 |
||
|
140 |
256 |
4000 |
47 |
АИР100L4Р3 |
4,0 |
82 |
|
|
302 |
4800 |
51 |
АИР100L2Р3 |
5,5 |
85 |
||
|
180 |
200 |
3500 |
47 |
АИР100L4Р3 |
4,0 |
82 |
|
|
43 |
АИР100S2Р3 |
84 |
|||||
|
280 |
4200 |
51 |
АИР100L2Р3 |
5,5 |
85 |
||
|
224 |
165 |
3300 |
43 |
АИР100S2Р3 |
4,0 |
84 |
|
|
227 |
3800 |
51 |
АИР100L2Р3 |
5,5 |
85 |
||
|
280 |
127 |
2800 |
47 |
АИР100S2Р3 |
4,0 |
84 |
|
|
175 |
3300 |
51 |
АИР100L2Р3 |
5,5 |
85 |
||
|
4МЦ2С-100 |
28 |
445 |
5300 |
79 |
АИР100L8Р3 |
1,5 |
71 |
|
655 |
6400 |
81 |
АИР100L6Р3 |
2,2 |
77 |
||
|
31,5 |
440 |
5200 |
79 |
АИР100L8Р3 |
1,5 |
71 |
|
|
35,5 |
555 |
6000 |
81 |
АИР100L6Р3 |
2,2 |
77 |
|
|
710 |
6700 |
100 |
АИРМ112МА6Р3 |
3,0 |
|||
|
45 |
440 |
5300 |
81 |
АИР100L6Р3 |
2,2 |
77 |
|
|
595 |
6100 |
74 |
АИР100S4Р3 |
3,0 |
78 |
||
|
56 |
505 |
5700 |
74 |
АИР100S4Р3 |
3,0 |
78 |
|
|
675 |
6500 |
81 |
АИР100L4Р3 |
4,0 |
82 |
||
|
71 |
535 |
5800 |
81 |
АИР100L4Р3 |
4,0 |
82 |
|
|
710 |
6700 |
99 |
АИРМ112М4Р3 |
5,5 |
83 |
||
|
90 |
405 |
5100 |
81 |
АИР100L4Р3 |
4,0 |
82 |
|
|
545 |
5900 |
99 |
АИРМ112М4Р3 |
5,5 |
83 |
||
|
112 |
450 |
5400 |
99 |
АИРМ112М4Р3 |
5,5 |
83 |
|
|
620 |
6300 |
100 |
АИРМ112М2Р3 |
7,5 |
85 |
||
|
125 |
375 |
4800 |
99 |
АИРМ112М4Р3 |
5,5 |
83 |
|
|
537 |
5800 |
100 |
АИРМ112М2Р3 |
7,5 |
85 |
||
|
140 |
490 |
5600 |
|||||
|
160 |
445 |
5200 |
|||||
|
224 |
314 |
4400 |
|||||
|
280 |
244 |
3900 |
|||||
|
4МЦ2С-125 |
28 |
935 |
7700 |
122 |
АИРМ112МА6Р3 |
3,0 |
77 |
|
1245 |
8800 |
126 |
АИРМ112МВ6Р3 |
4,0 |
79 |
||
|
35,5 |
975 |
7800 |
126 |
АИРМ112МВ6Р3 |
4,0 |
79 |
|
|
1340 |
9200 |
148 |
АИРМ132S6Р3 |
5,5 |
83 |
||
|
45 |
780 |
700 |
126 |
АИРМ112МВ6Р3 |
4,0 |
79 |
|
|
1120 |
8400 |
127 |
АИРМ112М4Р3 |
5,5 |
83 |
||
|
56 |
880 |
7400 |
127 |
АИРМ112М4Р3 |
5,5 |
83 |
|
|
148 |
АИРМ132S6Р3 |
5,5 |
83 |
||||
|
1200 |
8700 |
151 |
АИРМ132S4Р3 |
7,5 |
84 |
||
|
71 |
960 |
7800 |
|
|
|
|
|
|
1410 |
9400 |
166 |
АИРМ132М4Р3 |
11,0 |
85 |
||
|
90 |
775 |
7000 |
151 |
АИРМ132S4Р3 |
7,5 |
84 |
|
|
1140 |
8500 |
166 |
АИРМ132М4Р3 |
11,0 |
85 |
||
|
112 |
895 |
7500 |
166 |
АИРМ132М4Р3 |
11,0 |
85 |
|
|
1210 |
8700 |
206 |
АИРМ160S4Р3 |
15,0 |
84 |
||
|
140 |
704 |
6600 |
166 |
АИРМ132М4Р3 |
11,0 |
85 |
|
|
940 |
7700 |
206 |
АИРМ160S4Р3 |
15,0 |
84 |
||
|
1165 |
8600 |
228 |
АИРМ160М4Р3 |
18,5 |
86 |
||
|
180 |
557 |
5900 |
160 |
АИРМ132М2Р3 |
11,0 |
84 |
|
|
760 |
6900 |
206 |
АИРМ160S4Р3 |
15,0 |
84 |
||
|
940 |
7700 |
228 |
АИРМ160S4Р3 |
15,0 |
84 |
||
|
224 |
447 |
5200 |
160 |
АИРМ132М2Р3 |
11,0 |
84 |
|
|
609 |
6100 |
197 |
АИРМ160S2Р3 |
15,0 |
|||
|
752 |
6800 |
207 |
АИРМ160М2Р3 |
18,5 |
86 |
Пример условного обозначения при заказе:
Мотор-редуктор 4МЦ2С-63-71-1,1-G310-ЦУЗ-2-380 ТУ2.056.0221595.13-91, где:
Мотор-редуктор типа 4МЦ2С с межосевым расстоянием 63 мм, частотой вращения выходного вала 71 об/мин, мощностью электродвигателя 1,1 кВт, вариант установки G310 - фланец, цилиндрическим концом выходного вала Ц, климатического исполнения У, категории размещения 3, категории точности 2, номинального напряжения сети переменного тока 380 В.