Опции к червячным мотор-редукторам

Часто специфика того или иного процесса предполагает не только необходимость купить мотор редуктор, но и внедрить дополнительные опции к нему. К дополнительным опциям можно отнести такие механизмы, как вариаторы и цилиндрические ступени, совместимые с IEC двигателями. Все оборудование проходит строгий выходной контроль качества, в котором принимают участие не только высококвалифицированные специалисты, но и продукты программного обеспечения.
Цена: по запросу заказчика
Опции к мотор-редукторам

Вариаторная приставка UD

Технические характеристики
|
n1 = 2800 об/мин |
||||||
|---|---|---|---|---|---|---|
|
Мощность |
Тип |
Передаточное отношение |
Минимальные обороты |
Максимальные обороты |
Максимальный момент |
Минимальный момент |
|
0.25 |
UDL002 |
0.129-0.645 |
361 |
1806 |
2.9 |
1.1 |
|
0.37 |
1.6 |
|||||
|
0.55 |
UDL005 |
0.143-0.714 |
400 |
2000 |
5.9 |
2.2 |
|
0.75 |
3.0 |
|||||
|
1.1 |
UDL010 |
0.143-0.714 |
400 |
2000 |
11.9 |
4.4 |
|
1.5 |
6.0 |
|||||
|
n1 = 1400 об/мин |
||||||
|
0.12 |
UDL002 |
0.129-0.645 |
181 |
903 |
2.9 |
1.1 |
|
0.18 |
1.6 |
|||||
|
0.25 |
UDL005 |
0.143-0.714 |
200 |
1000 |
5.9 |
2.2 |
|
0.37 |
3.0 |
|||||
|
0.55 |
UDL010 |
0.143-0.714 |
200 |
1000 |
11.9 |
4.4 |
|
0.75 |
6.0 |
|||||
|
1.1 |
UDT020 |
0.143-0.714 |
200 |
1000 |
24.0 |
8.8 |
|
1.5 |
12.0 |
|||||
|
2.2 |
UDT030S |
0.143-0.714 |
200 |
1000 |
36.0 |
17.9 |
|
3 |
UDT030L |
0.143-0.714 |
200 |
1000 |
64.0 |
24.0 |
|
4 |
32.0 |
|||||
|
5.5 |
UDT050S |
0.143-0.714 |
200 |
1000 |
90.1 |
44.9 |
|
7.5 |
UDT050L |
0.143-0.714 |
200 |
1000 |
118.1 |
59.0 |
|
n1 = 900 об/мин |
||||||
|
0.18 |
UDL005 |
0.143-0.714 |
129 |
643 |
5.9 |
2.2 |
|
0.25 |
3.0 |
|||||
|
0.37 |
UDL010 |
0.143-0.714 |
129 |
643 |
11.9 |
4.4 |
|
0.55 |
6.8 |
|||||
|
0.75 |
UDT020 |
0.143-0.714 |
129 |
643 |
24.0 |
8.8 |
|
1.1 |
13.0 |
|||||
|
1.5 |
UDT030S |
0.143-0.714 |
129 |
643 |
36.0 |
17.9 |
|
2.2 |
UDT030L |
0.143-0.714 |
129 |
643 |
64.0 |
26.4 |
|
5.5 |
UDT050L |
0.143-0.714 |
129 |
643 |
118.1 |
61.0 |
UDL-алюминиевый корпус
UDT-чугунный корпус
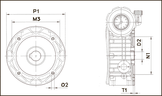
Присоединительные размеры

|
|
РАМ IEC |
Р1 |
N1(H8) |
МЗ |
О2 |
D2(F7) |
Т1 |
|---|---|---|---|---|---|---|---|
|
UDL002 |
63В5 |
140 |
95 |
115 |
М8 |
11 |
5 |
|
UDL005 |
71В5 |
160 |
110 |
130 |
М8 |
14 |
5 |
|
UDL010 |
80В5 |
200 |
130 |
165 |
М10 |
19 |
6 |
|
90В5 |
200 |
130 |
165 |
М10 |
24 |
6 |
|
|
UDT020 |
90В5 |
200 |
130 |
165 |
М10 |
24 |
6 |
|
UDT030S |
100В5 |
250 |
180 |
215 |
М12 |
28 |
6 |
|
UDT030L |
100/112В5 |
||||||
|
UDT050S |
132В5 |
300 |
230 |
265 |
М12 |
38 |
6 |
|
UDT050L |

|
Тип |
B |
C |
C1 |
D(j6) |
E |
G |
G3 |
H |
M |
M1 |
N |
O |
O1 |
P |
T |
KA |
KB |
KC |
KD |
KD1 |
KE |
b |
t |
|---|---|---|---|---|---|---|---|---|---|---|---|---|---|---|---|---|---|---|---|---|---|---|---|
|
UDL002 |
23 |
50 |
46 |
11 |
70 |
112.5 |
64.5 |
72 |
115 |
60 |
95 |
9 |
M6 |
140 |
3.5 |
71 |
111 |
78 |
110 |
110 |
85 |
4 |
12.5 |
|
UDL005 |
30 |
40 |
53 |
14 |
80 |
110 |
74 |
90 |
130 |
77 |
110 |
9 |
M8 |
160 |
3.5 |
71 |
123 |
90 |
110 |
110 |
85 |
5 |
16 |
|
UDL010 |
40 |
58 |
60 |
19 |
100 |
139 |
85.5 |
98 |
165 |
84 |
130 |
11 |
M8 |
200 |
3.5 |
79 |
140 |
107 |
120 |
120 |
110 |
6 |
21.5 |
|
UDT020 |
50 |
- |
- |
24 |
126 |
188 |
115 |
241 |
165 |
- |
130 |
11 |
- |
200 |
3.5 |
- |
144 |
122 |
150 |
- |
110 |
8 |
27 |
|
UDT030S/L |
60 |
- |
- |
28 |
150 |
208 |
131 |
270 |
215 |
- |
180 |
15 |
- |
250 |
4 |
- |
188 |
150 |
160 |
- |
110 |
8 |
31 |
|
UDT050S/L |
70 |
- |
- |
28 |
200 |
244 |
131 |
- |
265 |
- |
230 |
19 |
- |
300 |
5 |
- |
- |
192 |
194 |
- |
110 |
10 |
41 |
Цилиндрическая ступень

|
PC |
i |
P2 |
P1 |
|---|---|---|---|
|
63 |
3 |
63B14/71B14 |
63B5 |
|
71 |
3.17 |
71B14/80B14 |
71B5 |
|
80 |
3 |
80B14/100B14 |
80B5 |
|
90 |
2.43 |
80B14/100B14 |
90B5 |